Trash Compactor Parts & Accessories

Showing 1-24 products of 35 products

Filters
Set Descending Direction
Page
per page

Trash Compactor Brands

Trash Compactor Parts & Accessories

Disposing of waste is a necessary daily household task, regrettably not the most eco-friendly one. Here comes to the play a trash compactor � a highly useful device that helps to make a kitchen a more efficient place. One of the primary advantages of using a trash compactor is that it allows trash to take up less space within your home. This is especially beneficial for individuals living on a high floor � they can avoid the hassle of frequent trips downstairs to dispose of trash. However, when a trash compactor malfunctions, it disrupts the routine disposal of leftover food, causing daily inconvenience. In such instances, you need to replace the faulty trash compactor parts.

Overview of Trash Compactor Parts

So, what exactly is a trash compactor? This garbage can uses a crushing mechanism to compress, condense, and compact your waste, resulting in a smaller volume. Trash compactors use sophisticated built-in technology to reduce overall trash by up to 75%. This reduces the number of times you have to empty the garbage cans and reduces your negative environmental impact by reducing the amount of domestic waste that ends up in landfills.

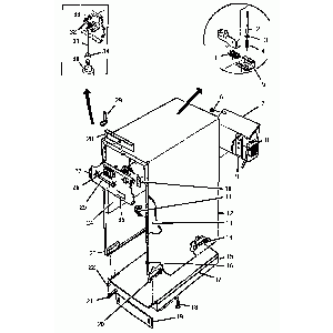
Let’s take a look at the “anatomy� of trash compactor:

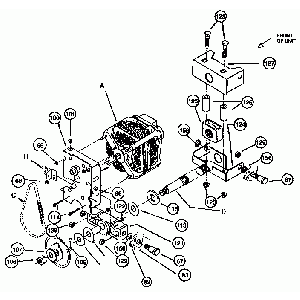
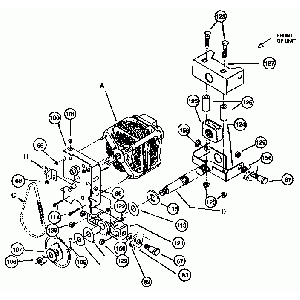
  • Compacting ram. One of the most critical components of a trash compactor. It's responsible for compressing the trash to reduce its volume.
  • Switches. There are several switches that serve different purposes:
  • Start/stop switch;
  • Safety switches.
  • Bags or bins. The appliances may feature bags or bins where the compacted waste is collected. Some compactors have reusable bins, while others use disposable bags.
  • Motor. Provides the power necessary to drive the compacting ram. It converts electrical energy into mechanical energy and allows the ram to compress the trash effectively.
  • Control panel. This part houses various controls and indicators that allow users to operate the compactor. It typically includes buttons or switches for starting/stopping the compactor, adjusting settings, and monitoring the compaction process.
  • Liners. Some trash compactors feature liners or coatings inside the compaction chamber to prevent corrosion and make cleaning easier.

It is important to know these components and their functions. It will help you maintain and troubleshoot your device more effectively.

Signs You Need to Replace Trash Compactor Parts

Below are some probable indicators that your appliance is having problems.

Device does not turn on

Like many other devices, the garbage compactor frequently fails to switch on. If this occurs, the first thing to verify is that the unit is correctly plugged in. If it still does not operate, there could be a few possible issues going on with:

  • switch;
  • motor;
  • circuit board;
  • food pedal; or
  • switch corrosion.

In such cases, it is recommended that the broken pieces be replaced with new ones. If you cannot resolve these difficulties on your own, ask a professional for help.

Weird odors

Possible causes include a dirty unit or motor issues. To solve the problem, make sure it is fully cleaned. If the problem stays, it may be time to contact specialists.

Strange noises

One more sign of a problem is when the device begins to make odd noises while operating. This could indicate a variety of concerns, including worn-out bearings, loose screws, and motor troubles.

With proper cleaning and periodic repairs, your device will continue to give vital waste management help for years to come. And if some parts do need to be changed, YourParts can help you select the best trash compactor replacement units.

Benefits of Using Genuine OEM Parts

If there are problems with your device, you should only use genuine OEM compactor parts to restore its functionality. Although non-genuine parts are often significantly less expensive, they can severely damage your device over time. The reason for this is that they do not provide a quality guarantee or ensure that the part is fully compatible with its original design. Instead, authentic parts are properly suited to the dimensions and have certification. Using authentic parts is justified: repairs will be efficient and will not cause the equipment to fail. At YourParts we offer solely original parts and accessories for all devices with over 1 million parts in stock.

How to Choose the Right Parts for Your Trash Compactor

Let’s talk about deciding on the appropriate components for your trash compactor. Once you've discovered the issue, it's time to purchase the necessary parts for your device. For particular information, refer to the garbage compactor's owner manual. When ordering components, specify the model and serial number normally found on the device itself. YourParts cares about keeping your entire kitchen clean, which is why we provide a large selection of genuine garbage compactor parts and accessories for your appliances. On our website, you can easily find garbage compactor replacement components using a search by-part number feature.

Step-by-Step Guide to Replacing Trash Compactor Parts

Remember that replacing any trash compactor components requires following proper installation techniques. Here are some general instructions:

  1. Unplug the device from the power source to prevent electrical accidents. Wear personal protective equipment to protect yourself from injury.
  2. Refer to the manual.
  3. Gather the necessary tools for the job, including screwdrivers, wrenches, pliers, and any specialized tools recommended by the manual.
  4. Carefully disassemble the trash compactor according to the manufacturer's instructions.
  5. Install the new parts of a trash compactor following the reverse steps of disassembly. Take care to align parts correctly and tighten fasteners securely.
  6. Check for proper operation of the replaced part and any associated systems. Ensure all parts are correctly positioned and secured.
  7. Plug the device back into the power source and test its operation one final time to confirm that the replacement has resolved the issue.

If you encounter any difficulties or are unsure about any step, consider seeking assistance from a qualified technician.

Why Purchase Your Trash Compactor Replacement Parts from YourParts

Our online store has over 1 million OEM original parts in stock and covers a wide range of household appliance product categories. All components satisfy high global quality requirements, ensure dependability and flawless assembly, as well as long-term service. Browse our assortment to find waste compactor parts that are necessary for kitchen cleanup.

Not sure what matches your appliance? Contact our operators for assistance.