216100126 Frigidaire Handling Refrigerator Overload

Availability: In stock

Available to ship from factory 4-8 business days

Frigidaire
MFG Number
216100126
Manufactured BY:
Frigidaire
This manufacturer part number # 216100126 replaces our competitors' part numbers: AP3585884, PS899186, 1036248.
Special Price $47.99 Regular Price $61.99 (23% off)
Ships Today
+ -

Payment

Handling Refrigerator Overload

Frigidaire produces a variety of products under their own name as well as Electrolux. They also manufacture equipment for Sears-Kenmore.

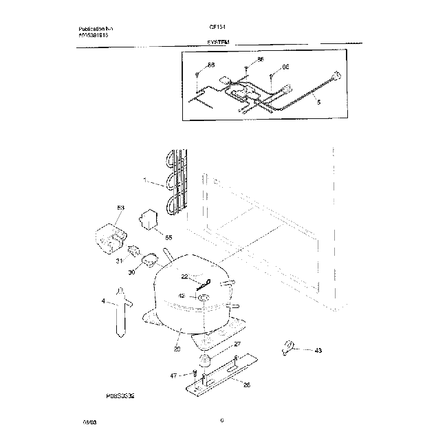
The part in question, a compressor overload protector (number 216100126), is specifically designed for freezers. It functions by turning off the compressor if the motor pulls in excess power, thus preventing damage.

Before you begin the installation of this component, make sure to unplug the freezer and store any perishable food safely. It's advisable to wear work gloves for hand protection during the process.
Write Your Own Review
You're reviewing:216100126 Frigidaire Handling Refrigerator Overload
Your Rating
Handling Refrigerator Overload

Frigidaire produces a variety of products under their own name as well as Electrolux. They also manufacture equipment for Sears-Kenmore.

The part in question, a compressor overload protector (number 216100126), is specifically designed for freezers. It functions by turning off the compressor if the motor pulls in excess power, thus preventing damage.

Before you begin the installation of this component, make sure to unplug the freezer and store any perishable food safely. It's advisable to wear work gloves for hand protection during the process.
216100126 Frigidaire Handling Refrigerator Overload
47.990000
Similar Products